D1200 drone motor
Volt:
Head:
Noise:
Speed control ways:
Protection level:
Function:
Medium temperature:
Remarks: - We can offer OEM/ODM service. - If you are interested in our products,pls send your requirements to sp005@dgshenpeng.com - Our Facebook is:Shenpeng Pump |

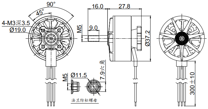
MOTOR OUTLINE DRAWING:

MOTOR PERFORMANCE DATA:
| MODEL | Throttle (%) | KV (rpm/V) | Voltage (V) | Prop | Load Current (A) | Pull (g) | Prower (W) | Efficiency (g/W) | LipoCell | Weight (g)Approx |
| D1200 900KV | 30 | 499 | 22.2 | 9050 three-bladed propeller | 5.32 | 813 | 118 | 6.89 | 4-6S | 86 |
| 40 | 574 | 22.2 | 8.76 | 1093 | 194 | 5.63 | ||||
| 50 | 641 | 22.2 | 12.6 | 1365 | 280 | 4.88 | ||||
| 60 | 685 | 22.1 | 16.4 | 1597 | 362 | 4.41 | ||||
| 70 | 722 | 22.1 | 20.2 | 1822 | 446 | 4.09 | ||||
| 80 | 769 | 22.1 | 25.5 | 2078 | 564 | 3.68 | ||||
| 90 | 854 | 22 | 31.9 | 2427 | 702 | 3.46 | ||||
| 100 | 900 | 22 | 46.5 | 2920 | 1023 | 2.85 | ||||
| The temperature of inside copper wire is 110°C after 100% throttle running 2 mins. (Ambient temperature is 28°C) | ||||||||||
| MODEL | Throttle (%) | KV (rpm/V) | Voltage (V) | Prop | Load Current (A) | Pull (g) | Prower (W) | Efficiency (g/W) | LipoCell | Weight (g)Approx |
| D1200 1050KV | 30 | 693 | 22.2 | 8040 three-bladed propeller | 6.03 | 899 | 134 | 6.71 | 4-6S | 86 |
| 40 | 798 | 22.2 | 9.94 | 1209 | 221 | 5.47 | ||||
| 50 | 891 | 22.2 | 14.3 | 1510 | 317 | 4.76 | ||||
| 60 | 952 | 22.1 | 18.6 | 1766 | 411 | 4.29 | ||||
| 70 | 1004 | 22.1 | 23.0 | 2015 | 508 | 3.97 | ||||
| 80 | 1069 | 22.1 | 29.1 | 2298 | 643 | 3.57 | ||||
| 90 | 1187 | 22 | 36.4 | 2684 | 801 | 3.35 | ||||
| 100 | 1250 | 22 | 53.2 | 3230 | 1170 | 2.76 | ||||
| The temperature of inside copper wire is 110°C after 100% throttle running 2 mins. (Ambient temperature is 28°C) | ||||||||||
Mobile website
Chinese


