D1100 drone motor
Volt:
Head:
Noise:
Speed control ways:
Protection level:
Function:
Medium temperature:
Remarks: - We can offer OEM/ODM service. - If you are interested in our products,pls send your requirements to sp005@dgshenpeng.com - Our Facebook is:Shenpeng Pump |

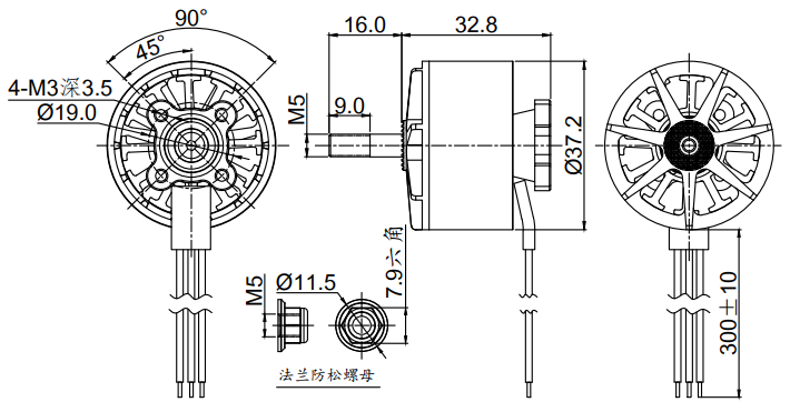
MOTOR OUTLINE DRAWING:

MOTOR PERFORMANCE DATA:
| MODEL | Throttle (%) | KV (rpm/V) | Voltage (V) | Prop | Load Current (A) | Pull (g) | Prower (W) | Efficiency (g/W) | LipoCell | Weight (g)Approx |
| D1100 900KV | 30 | 266 | 22.2 | 9050 three-bladed propeller | 1.4 | 231 | 31 | 7.45 | 4-6S | 112 |
| 40 | 450 | 22.2 | 5.75 | 726 | 128 | 5.67 | ||||
| 50 | 559 | 22.2 | 10.1 | 1135 | 224 | 5.07 | ||||
| 60 | 679 | 22.1 | 18.8 | 1743 | 415 | 4.2 | ||||
| 70 | 791 | 22.1 | 31.9 | 2483 | 705 | 3.52 | ||||
| 80 | 846 | 22.1 | 40.8 | 2839 | 902 | 3.15 | ||||
| 90 | 891 | 22 | 48.1 | 3183 | 1058 | 3.01 | ||||
| 100 | 900 | 22 | 51.5 | 3320 | 1133 | 2.93 | ||||
| The temperature of inside copper wire is 75°C after 100% throttle running 2 mins. (Ambient temperature is 28°C) | ||||||||||
| MODEL | Throttle (%) | KV (rpm/V) | Voltage (V) | Prop | Load Current (A) | Pull (g) | Prower (W) | Efficiency (g/W) | LipoCell | Weight (g)Approx |
| D1100 1050KV | 30 | 589 | 22.2 | 9047 three-bladed propeller | 8.79 | 1000 | 195 | 5.13 | 4-6S | 112 |
| 40 | 691 | 22.2 | 13.1 | 1399 | 291 | 4.81 | ||||
| 50 | 780 | 22.2 | 17.6 | 1606 | 391 | 4.11 | ||||
| 60 | 843 | 22.1 | 22 | 1864 | 486 | 3.84 | ||||
| 70 | 928 | 22.1 | 32.4 | 2340 | 716 | 3.27 | ||||
| 80 | 984 | 22.1 | 37.9 | 2660 | 838 | 3.17 | ||||
| 90 | 1043 | 22 | 46.7 | 2910 | 1027 | 2.83 | ||||
| 100 | 1050 | 22 | 55.7 | 3430 | 1225 | 2.8 | ||||
| The temperature of inside copper wire is 112°C after 100% throttle running 2 mins. (Ambient temperature is 28°C) | ||||||||||
| MODEL | Throttle (%) | KV (rpm/V) | Voltage (V) | Prop | Load Current (A) | Pull (g) | Prower (W) | Efficiency (g/W) | LipoCell | Weight (g)Approx |
| D1100 1200KV | 30 | 673 | 22.2 | 9045 three-bladed propeller | 10.7 | 1092 | 238 | 4.59 | 4-6S | 112 |
| 40 | 789 | 22.2 | 15.9 | 1529 | 353 | 4.33 | ||||
| 50 | 891 | 22.2 | 21.4 | 1755 | 475 | 3.69 | ||||
| 60 | 963 | 22.1 | 26.8 | 2037 | 592 | 3.44 | ||||
| 70 | 1060 | 22.1 | 39.4 | 2558 | 871 | 2.94 | ||||
| 80 | 1125 | 22.1 | 46.1 | 2908 | 1019 | 2.85 | ||||
| 90 | 1192 | 22 | 56.7 | 3181 | 1247 | 2.55 | ||||
| 100 | 1200 | 22 | 67.6 | 3750 | 1487 | 2.52 | ||||
| The temperature of inside copper wire is 112°C after 100% throttle running 2 mins. (Ambient temperature is 28°C) | ||||||||||
Mobile website
Chinese


